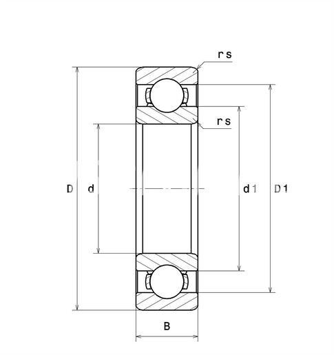
20X50X14
BB1-0014, TMB222CJR220C33A SQ2,776 5176 FIAT, 62/22X/20JNC2C3, BB1-0014 SKF , F-800618.KL-H90AD, 46823135 FIAT, 712158910, BB1-2539 A,
Шариковый однорядный для 6-ти ступенчатой(6-speed manual transmission )коробки передач С514.6 ALFA ROMRO: MITO , FIAT: 500,500L,PANDA,PUNTO


