, ,

6306ZENRCM NACHI

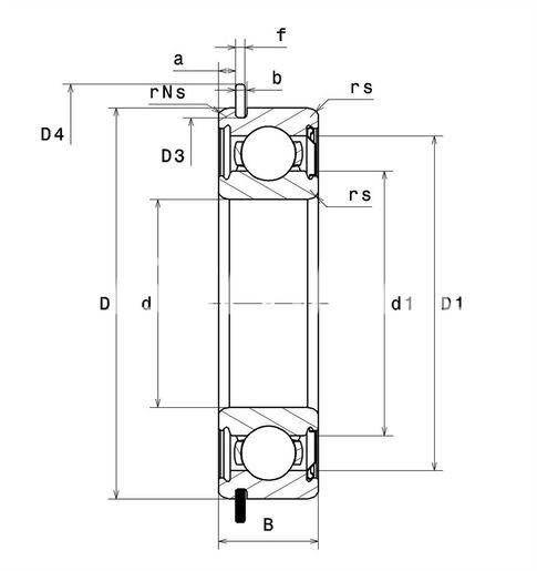
30X72X19

NACHI  THAILAND

330 грн.

Немає в наявності   (Нове)

Артикул: 6306ZENRCM Категорії: , , Позначка:

30X72X19

Шариковый однорядный подшипник  с проточкой и стопорным кольцом на наружной обойме применяется в коробках передач автомобилей и сельхоз техники 6306NR,6306ZNR,6306N,6306 NR,  6306 ZNR в наличии на складе в Киеве по низким ценам

Вага 0.36 кг
Внутренний диаметр подшипника d: mm

Наружный диаметр подшипника D: mm

Высота (ширина) изделия в сборе T: mm

Вам також може сподобатися…

Кошик