размер 25X52X15
аналоги – 62052RSNR , 6205DDUNR ,6205LLUNR ,6205NREE
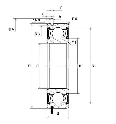
Радиальный шарикоподшипник, сепаратор из листовой стали, канавка и стопорное кольцо на внешнем диаметре, двусторонние неконтактные уплотнения 6205LLUNR
https://eshop.ntn-snr.com/ru/product/6205LLUNR_5K-NTN/6205LLUNR-5K



