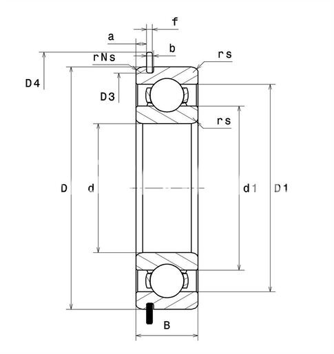
РАЗМЕР – 28X67X18
Подшипник первичного вала задний кпп FIAT DOBLO 1.3 MJTD, 1.9 MJTD 55190691 /ALFA/LANCIA
АНАЛОГИ – 527027*FAG, AB 12077 SO4, 57N13E8, 4190790 FIAT, 46413349 FIAT, 60811510 FIAT, 46406913 FIAT, 434069130 FIAT, 55229274 FIAT, BB1B631046B F-110617, 712133910, 114-618 N,57NA05E8 OLD, 55190691


